2021年12月31日,國家市場監督管理總局國家標準管理委員會發布了2021年第17號中國國家標準公告。本次公告中包含GB/T 17743-2021《電氣照明和類似設備的無線電騷擾特性的限值和測量方法》推薦性國家標準,該標準將于2022年7月1日正式實施。
GB/T 17743-2021等同采用IEC國際標準CISPR 15:2018,是電氣照明和類似設備在發射騷擾方面的重要檢測依據。
適用范圍
本標準適用于以下設備發射(輻射和傳導)的射頻騷擾
◆ 照明設備(3.3.16)
◆ 主要功能之一是照明的多功能設備中的照明部分
注1:實例有可見光通信、娛樂照明的照明設備
◆ 用于居住和非工業應用的紫外線和紅外線輻射設備
◆ 公告標識
注2:實例有霓虹燈式的廣告招牌
◆ 裝飾照明
◆ 應急標志
主要技術變化
與舊版標準GB/T 17743-2017相比,除結構調整和編輯性改動外,主要技術變化如下:
1、范圍一章刪除了對器具使用電源和電池運行的限制條件(見第1章,2017年版的第1章);
2、在300 MHz至1 GHz頻率范圍內,引入輻射騷擾限值(見第4章,2017年版的4.4.2);
3、修改了負載端子限值與CDNE( 輻射發射的替代法)限值表述(見第4章,2017年版的4.3.2);
4、刪除插入損耗要求及其在附錄A中的相關內容(見2017版的4.2,第5章,第7章,附錄A)
5、引入三個基本端口:外殼端口、本地有線端口與有線網絡端口(見3.4.6、3.4.10,3.4.14,第4章,第5章,附錄D)
6、通過適當參考CISPR 16系列標準,以CISPR 16系列標準的相關測試方法替換了附錄B(CDNE)的測試方法(見9.3.4.4,見2017年版的附錄B);
7、修改了錐形外殼金屬孔的要求(見圖A.2,2017年版的圖7);
8、新增了GU10自鎮流燈傳導騷擾測量的新方法(見附錄A.1);
9、增加電流探頭測量方法和各種端口的限值(除電壓限值和測量方法外)(見第4章);
10、引入術語“模塊”(替代獨立附件)和使用主機(參考)系統模塊的測量要求(見6.4);
11、修改了EUT穩定時間的規范(見7.8,2017版的6.5.3);
對于大型EUT(>1.6 m),增加使用距離為3 m的60 cm環形天線磁場測量方法(CISPR 14-1的方法),作為3 m和4 m環形天線系統(LLAS)的替代方案(見4.5.2)。
部分重點修訂內容列舉
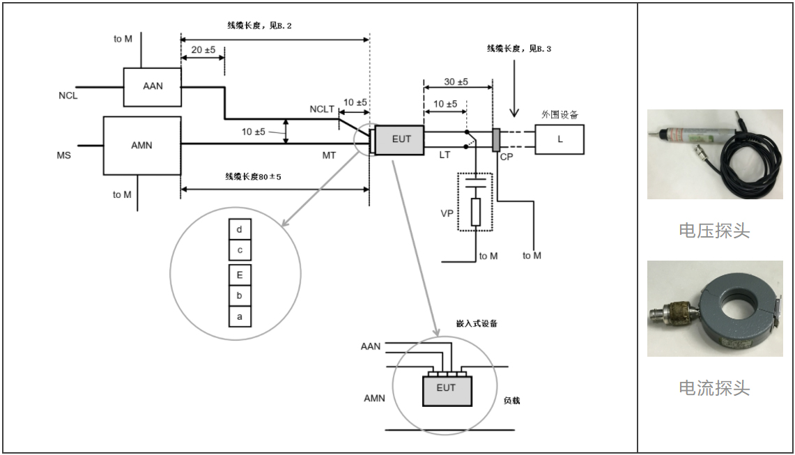
1、獨立的調光裝置、變壓器或轉換器的測量電路布置圖(增加電流探頭法);

2、輻射騷擾測量(OATS,SAC或FAR)時,燈具布置舉例;

3、新增:測試頻率范圍擴展至1GHz,輻射騷擾測量的獨立方法(30MHz~300MHz)使用的設備由CDN改為CDNE(設備更新);
4、新增:60 cm環形天線磁場測量方法;
5、增加EUT的物理接口流程判定;
6、增加對EUT應用限值的確定流程。
中認聯科18年專注消費類電子電器產品檢測認證,時刻關注各國法規變化,用心為客戶提供一站式檢測認證服務,確保您的產品快速地進入目標市場。如果您有電子電器產品及電池或含電池的消費類智能產品需要辦理檢測認證,請隨時與我們聯系,我們的工程師將在第一時間為您服務!